အလားအလာရှိသော Transformer PT
ဓာတ်အားခွဲရုံရှိ 13.8 Kv Single Phase Potential Transformer
  • ဓာတ်အားခွဲရုံရှိ 13.8 Kv Single Phase Potential Transformerဓာတ်အားခွဲရုံရှိ 13.8 Kv Single Phase Potential Transformer

ဓာတ်အားခွဲရုံရှိ 13.8 Kv Single Phase Potential Transformer

ဓာတ်အားခွဲရုံတွင် ယုံကြည်စိတ်ချရသော 13.8 kv single phase ဖြစ်နိုင်သည့် transformer ကို ထုတ်လုပ်ရန်အတွက် Wenzhou XiFa Electric Power Equipment Co., Ltd သည် ဆုံးရှုံးမှုတန်ဖိုးကို လျှော့ချရန်နှင့် တိကျမှုအဆင့်ကို မြှင့်တင်ရန်အတွက် core ၏ ပရီမီယံပစ္စည်းအဖြစ် CRGO လျှပ်စစ်သံမဏိကို အသုံးပြုကာ တိကျသောလေအားဖြင့် ပေါင်းစပ်ထားသော ကြေးနီဝါယာကြိုးများကို ကွိုင်၏ အဓိကပစ္စည်းအဖြစ် အသုံးပြုပါသည်။ ထို့ထက်မက၊ ဓာတ်အားခွဲရုံရှိ 13.8 kv single-phase အလားအလာရှိသော transformer တစ်ခုစီသည် ပူပြင်းသော၊ စိုစွတ်သောနှင့် ဖုန်ထူသောပတ်ဝန်းကျင်များအတွက် သင့်လျော်သော ခြုံငုံအစိုဓာတ်ကို စုပ်ယူရန်မလွယ်ကူသော အစိုဓာတ်ကို စုပ်ယူရန်လွယ်ကူသော အလုံးစုံအစိုင်အခဲဖြစ်စေရန်အတွက် epoxy resin ဖုန်စုပ်စက်၏ ထုတ်လုပ်ခြင်းလုပ်ငန်းစဉ်ကို လက်ခံပါသည်။

ထုတ်ကုန်အင်္ဂါရပ်များ

ဓာတ်အားခွဲရုံရှိ 13.8 Kv Single Phase Potential Transformer သည် 100 သို့မဟုတ် 110 ဗို့ကဲ့သို့သော 100 သို့မဟုတ် 110 ဗို့အား စံဆင့်ပွားဗို့အားသို့ ကျဆင်းစေရန် ဒီဇိုင်းထုတ်ထားသည်။ ထို့နောက် လျှော့ဗို့အားကို ကိရိယာများနှင့် အကာအကွယ် relays များကို တိုင်းတာရန်အတွက် parallel windings များသို့ ပံ့ပိုးပေးကာ၊ ပင်မဗို့အား တိုင်းတာမှုများကို ဗို့အားနိမ့်တူရိယာများဖြင့် သွယ်ဝိုက်၍ ပြုလုပ်နိုင်စေပါသည်။ ထိုသို့သောချဉ်းကပ်မှုသည် တူရိယာဒီဇိုင်းကို ရိုးရှင်းစေပြီး ကုန်ကျစရိတ်ကို သက်သာစေပြီး စက်ကိရိယာနှင့် လည်ပတ်ရေးဝန်ထမ်းနှစ်ဦးစလုံး၏ ဘေးကင်းမှုကို သေချာစေသည်။


13.8 kv single phase ဖြစ်နိုင်ချေရှိသော transformer ၏ အလုပ်လုပ်ဆောင်မူမှာ power distribution transformer နှင့် အတူတူပင်ဖြစ်ပြီး transformation ratio ကို primary နှင့် secondary coils များတွင် turns အရေအတွက်ဖြင့် ဆုံးဖြတ်ပါသည်။ သာမညအလှည့်အရေအတွက်ကို တိုးမြှင့်ခြင်းသည် အချိုးကို လျှော့ချစေပြီး မူလအလှည့်အပြောင်းအရေအတွက်ကို တိုးလာစေသည်။ 13.8 kv single phase ဖြစ်နိုင်ချေရှိသော transformer ၏ Second circuit circuit ကို လည်ပတ်နေစဉ်အတွင်း short circuit ဖြစ်သင့်သည်ကို သတိပြုရန် အရေးကြီးပါသည်။

13 8 Kv Single Phase Potential Transformer In Substation

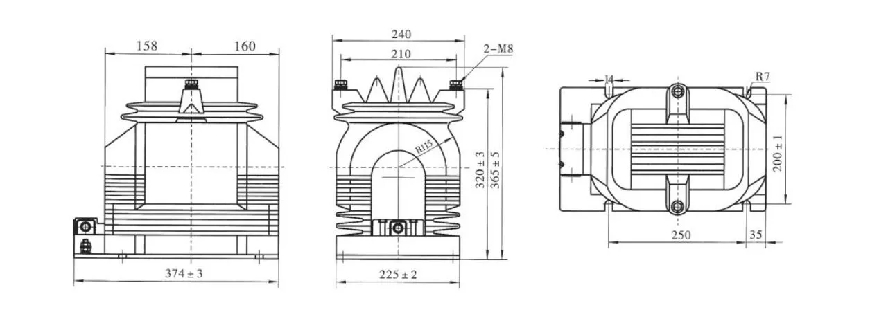
နည်းပညာဆိုင်ရာသတ်မှတ်ချက်-

ရိုက်ပါ။ အဆင့်သတ်မှတ်ထားသော ဗို့အားအချိုး (kV) တိကျမှုအတန်း တိကျမှု အတန်းအစားနှင့် အဆင့်သတ်မှတ်ထားသော အထွက် cosΦ=0.8 Max. အထွက် (VA)
0.2 0.5 1 6(P)
JDZ11-15 (15/√3)/(0.1/√3)/(0.1/3) 0.2/6P 0.5/6P 1/6P 30 80 150 100 400
JDZ11-20 (20/√3)/(0.1/√3)/(0.1/3)
JDZ11-15 (15/√3)/(0.1/√3)/(0.1/√3)/(0.1/3) 0.2/0.2/6P 0.2/0.5/6P 15 20 မရှိ 100 2*200
JDZX11-20 (20/√3)/(0.1/√3)/(0.1/√3)/(0.1/3)

13 8 Kv Single Phase Potential Transformer In Substation

ထုတ်ကုန် FAQ-

မေး- 13.8 kv single phase potential transformer သည် 13.8 kv power transformer နှင့် မည်သို့ကွာခြားသနည်း။

A- နှစ်ခုလုံးသည် ဗို့အားကူးပြောင်းသည့်ကိရိယာများဖြစ်သော်လည်း၊ 13.8 kv single phase ဖြစ်နိုင်ချေရှိသော transformer သည် ပါဝါလွှဲပြောင်းခြင်းထက် တိုင်းတာခြင်းနှင့် ကာကွယ်ရန်အတွက် ဒီဇိုင်းထုတ်ထားသည်။ ၎င်း၏အဆင့်သတ်မှတ်ထားသောဝန်ထုပ်ဝန်ပိုးသည်အတော်လေးသေးငယ်သည်၊ များသောအားဖြင့် VA တွင်ဖော်ပြလေ့ရှိပြီး kVA သို့မဟုတ် MVA တွင်ရေတွက်ထားသောပိုကြီးသောတန်ဖိုးတစ်ခုတွင်ပါဝါထရန်စဖော်မာများသည်ဝန်များကိုကိုင်တွယ်သည်။


မေး- 13.8 kv single phase ဖြစ်နိုင်ချေရှိသော transformer တွင် မည်သည့် insulation method ကိုအသုံးပြုသနည်း။

A: အများစုအလားအလာရှိသော ထရန်စဖော်မာများဤဗို့အားအဆင့်တွင် မိုးလုံလေလုံဝန်ဆောင်မှုအတွက် သို့မဟုတ် ပြင်ပတပ်ဆင်မှုများအတွက် ကြွေထည်/ဆီလီကွန်အိမ်များ အတွက် epoxy resin cast insulation ကို အသုံးပြုပါ။ ဒီဇိုင်းအချို့သည် သက်တမ်းပိုရှည်ပြီး မြင့်မားသောအပူပမာဏကိုရရှိရန် ဆီနှစ်မြှုပ်ထားသော လျှပ်ကာကို အသုံးပြုသည်။


မေး- 13.8 kV တစ်ခုတည်းအဆင့် အလားအလာရှိသော ထရန်စဖော်မာအား ဓာတ်အားခွဲရုံတွင် မည်သို့ချိတ်ဆက်သင့်သနည်း။

A- အဆင့်မှ မြေပြင်တိုင်းတာခြင်းအတွက်၊ PT မူလတန်းကို အဆင့်တစ်ခုနှင့် မြေပြင်ကြားတွင် ချိတ်ဆက်ထားသည်။ အဆင့်သုံးဆင့်စနစ်တွင်၊ single phase PTs သို့မဟုတ် သုံးဆင့် PT ယူနစ်တစ်ခုကို လိုင်းမှလိုင်းနှင့် မြေပြင်ဗို့အားများကို တိုင်းတာရန် အသုံးပြုနိုင်သည်။


မေး- ဓာတ်အားခွဲရုံများတွင် 13.8 kV အလားအလာရှိသော ထရန်စဖော်မာများဖြင့် မည်သို့သော ပြဿနာများ ဖြစ်ပေါ်လာနိုင်သနည်း။

A- လျှပ်ကာများ ပျက်စီးခြင်း၊ အချို့သော switching အခြေအနေများတွင် ferroresonance၊ ဝန်ပိုလွန်ကဲခြင်းကြောင့် အပူလွန်ခြင်း၊ နှင့် အန္တရာယ်ရှိသော ဗို့အားများမြင့်မားစေမည့် ဒုတိယပတ်လမ်းအဖွင့်အခြေအနေများ ပါဝင်ပါသည်။



Hot Tags: 13.8 Kv Single Phase Potential Transformer in Substation ပေးသွင်းသူ၊ ခွဲရုံရှိ Potential Transformer လက်ကား၊
စုံစမ်းမေးမြန်းရန်ပေးပို့ပါ။
ဆက်သွယ်ရန်အချက်အလက်
  • လိပ်စာ

    အမှတ် ၃၉၁၊ Jingqi လမ်း၊ Yanpan စက်မှုဇုန်၊ Yueqing မြို့၊ Zhejiang ပြည်နယ်၊ တရုတ်

  • အီးမေး

    info@xifaele.com

သင်၏ quotation ကိုအမြန်ဆုံးရရှိရန်

XiFa- သင်၏ယုံကြည်စိတ်ချရသောလျှပ်စစ်ပစ္စည်းပေးသွင်းသူ
သတင်းအကြံပြုချက်များ
X
သင့်အား ပိုမိုကောင်းမွန်သောကြည့်ရှုမှုအတွေ့အကြုံကို ပေးဆောင်ရန်၊ ဆိုက်အသွားအလာကို ပိုင်းခြားစိတ်ဖြာပြီး အကြောင်းအရာကို ပုဂ္ဂိုလ်ရေးသီးသန့်ပြုလုပ်ရန် ကျွန်ုပ်တို့သည် ကွတ်ကီးများကို အသုံးပြုပါသည်။ ဤဆိုက်ကိုအသုံးပြုခြင်းဖြင့် ကျွန်ုပ်တို့၏ cookies အသုံးပြုမှုကို သင်သဘောတူပါသည်။ ကိုယ်ရေးအချက်အလက်မူဝါဒ
ငြင်းပယ်ပါ။ လက်ခံပါတယ်။