လက်ရှိ Transformer CT
Resin Cast Electrical Ct Current Transformer
  • Resin Cast Electrical Ct Current TransformerResin Cast Electrical Ct Current Transformer
  • Resin Cast Electrical Ct Current TransformerResin Cast Electrical Ct Current Transformer

Resin Cast Electrical Ct Current Transformer

Wenzhou XiFa Electric Power Equipment Co., Ltd သည် 10 kv မှ 35 kv လျှပ်စစ် switchgear တွင် အသုံးပြုသည့် resin cast လျှပ်စစ် ct current transformer ကို ထုတ်လုပ်ရန် ပရော်ဖက်ရှင်နယ် ထုတ်လုပ်သည့် ကုမ္ပဏီတစ်ခုဖြစ်သည်။ Wenzhou XiFa တွင်၊ ထုတ်လုပ်ရေးအဖွဲ့သည် လက်ရှိထရန်စဖော်မာ၏ဘေးဘက်ရှိ ပူဖောင်းများကို ဖယ်ရှားရန်နှင့် မျက်နှာပြင်ပေါ်ရှိ တစ်စိတ်တစ်ပိုင်းထွက်ခြင်းမှ ကာကွယ်ရန်အတွက် ဖုန်စုပ်စက်တွင် epoxy resin ကို ထုတ်လုပ်သည့်အဖွဲ့မှ လုပ်ဆောင်ပါသည်။ ထိုအချိန်တွင်၊ ဗို့အားခုခံမှုနှင့် ရေရှည်တည်ငြိမ်မှုအပေါ် ပိုမိုကောင်းမွန်သောစွမ်းဆောင်ရည်ရရှိစေရန် ဗို့အားခုခံမှုနှင့် ရေရှည်တည်ငြိမ်မှုရရှိရန် စေးသွန်းလျှပ်စစ် ct လက်ရှိထရန်စဖော်မာကို အလွှာစုံ လျှပ်ကာဖွဲ့စည်းပုံအဖြစ် ဒီဇိုင်းထုတ်ထားသည်။

စေးသွန်းလျှပ်စစ် ct လက်ရှိထရန်စဖော်မာသည် မိုးလုံလေလုံ၊ epoxy resin၊ ဖုန်စုပ်စက်၊ 10kv ဗို့အားအဆင့် ဓာတ်အားစနစ်များအတွက် ဒီဇိုင်းထုတ်ထားသော အကြိမ်ရေ 50 Hz ဖြင့် တည်ဆောက်ထားသော အိမ်တွင်း၊ ၎င်းကို လက်ရှိတိုင်းတာခြင်း၊ စွမ်းအင်တိုင်းတာခြင်းနှင့် အကာအကွယ်ထပ်ဆင့်ခြင်းအတွက် အဓိကအသုံးပြုသည်။

အစေးသွန်းလျှပ်စစ် ct လက်ရှိထရန်စဖော်မာသည် အပြည့်အ၀ အလုံပိတ် epoxy resin သွန်းလုပ်ခြင်းလုပ်ငန်းစဉ်ကို လက်ခံကျင့်သုံးပြီး အူတိုင်ကို အဆင့်အတန်းမြင့်သံလိုက်ပစ္စည်းများဖြင့် ပြုလုပ်ထားကာ မူလနှင့်အလယ်တန်းကွိုင်နှစ်ခုစလုံးကို အစေးတွင် ထည့်သွင်းထားသည်။ ဤတည်ဆောက်မှုသည် လျှပ်ကာ၊ အစိုဓာတ်ခံနိုင်ရည်နှင့် ညစ်ညမ်းမှုဒဏ်ကို ခံနိုင်ရည်ရှိသော စွမ်းဆောင်ရည်ကို ပေးစွမ်းသည်။ အစေးသွန်းလျှပ်စစ် ct လက်ရှိထရန်စဖော်မာ၏ မျက်နှာပြင်သည် ထပ်လောင်းအဖုံးအုပ်ရန်မလိုအပ်ဘဲ လက်ရှိထရန်စဖော်မာအား နေရာများစွာတွင် တပ်ဆင်နိုင်သည်။

အကွာအဝေးသည် 0.2S နှင့် 0.5S ကဲ့သို့ တိုင်းတာခြင်းအတန်းများနှင့် 10P10 နှင့် 10P20 ကဲ့သို့သော အကာအကွယ်အတန်းများ ပါဝင်သည်။ သတ္တုထည်လျှပ်စစ်ပြားများတွင်အသုံးပြုရန် ကောင်းစွာသင့်လျော်စေရန် ဘက်စုံသုံး အချိုးအစားဒီဇိုင်းကို စေးကျစ်လျှပ်စစ် ct လက်ရှိထရန်စဖော်မာတွင် ရနိုင်သည်။

Resin Cast Electrical Ct Current TransformerResin Cast Electrical Ct Current Transformer

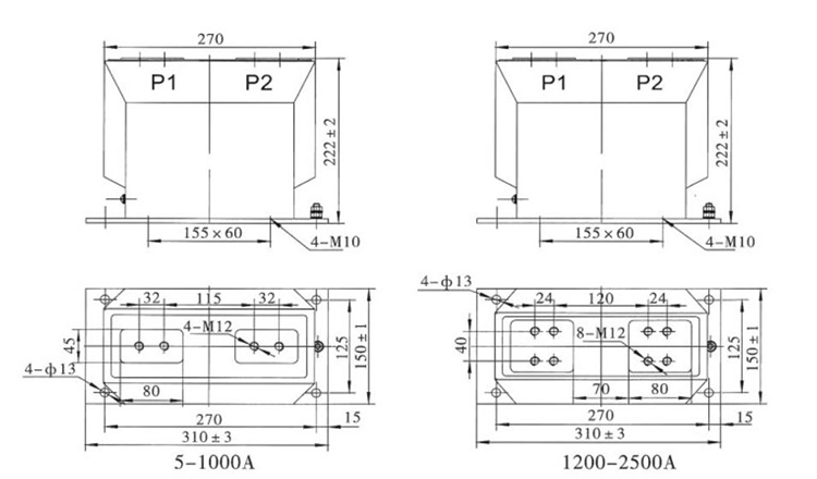
နည်းပညာဆိုင်ရာသတ်မှတ်ချက်-

ရိုက်ပါ။ Primary Rated Current (A) တိကျမှုအတန်း တိကျသော အတန်းအစားနှင့် အဆင့်သတ်မှတ်ထားသော အထွက်အထွက် cosΦ=0.8 Shory-Time အပူလျှပ်စီးကြောင်း (kA/S) အဆင့်သတ်မှတ်ထားသော ဒိုင်းနမစ်လျှပ်စီးကြောင်း(kA)
0.2 (များ) ၀.၅ (၎) 10P10 10P15 10P20
LZZBJ9-10 ၅-၁၅၀ 0.2s/0.5 0.2s/10P 0.2/10P 0.5s/10P 0.5/10P 10 10 15 15 10 100I1n 250I1n
၂၀၀-၃၀၀ 31.5 80
၄၀၀-၅၀၀ 45 112
၆၀၀-၁၀၀၀ 63 130
1200-1500 80 160
၂၀၀၀-၂၅၀၀ 100 180

Resin Cast Electrical Ct Current Transformer

ထုတ်ကုန် FAQ-

မေး- အစေးထုတ်လျှပ်စစ် ct လက်ရှိထရန်စဖော်မာကို ရွေးချယ်ရာတွင် မည်သည့်နည်းပညာဆိုင်ရာ ဘောင်များကို စစ်ဆေးသင့်သနည်း။

A- ရွေးချယ်ရာတွင် အောက်ပါသော့ချက်ဘောင်များကို စစ်ဆေးရပါမည်။

1.တိကျမှုအဆင့်- တိုင်းတာခြင်း/တိုင်းတာခြင်းအတွက် (ဥပမာ 0.2s သို့မဟုတ် 0.5) နှင့် အကာအကွယ်ရည်ရွယ်ချက်များ (ဥပမာ 10P10၊ 5P10 စသည်ဖြင့်)။

2.Rated ပင်မလက်ရှိနှင့်အလယ်တန်းလက်ရှိ (အသွင်ပြောင်းအချိုး)။

3.Short time thermal current (Ith) နှင့် short time current withstanding capacity (မှားယွင်းမှုအခြေအနေများအတွက်)။

4.Insulation အဆင့်များ (ဗို့အားခံနိုင်ရည်၊ တွန်းအားဗို့အားအဆင့်သတ်မှတ်ချက် စသည်ဖြင့်)။

5.Environmental tolerances- အပူချိန်အကွာအဝေး၊ အမြင့်ပေ၊ စိုထိုင်းဆ၊ ညစ်ညမ်းမှုအဆင့်။

6.Burden- VA load သည် အလယ်တန်း၏ တိကျမှုကို မထိခိုက်စေဘဲ မောင်းနှင်ရမည်ဖြစ်သည်။

မေး- မည်သည့်ပတ်ဝန်းကျင် သို့မဟုတ် အသုံးချပလီကေးရှင်းများတွင် အစေးထုတ်လျှပ်စစ် ct လက်ရှိထရန်စဖော်မာများသည် အထူးသင့်လျော်သနည်း။

A- အောက်ဖော်ပြပါ ပတ်ဝန်းကျင် သို့မဟုတ် အသုံးချပရိုဂရမ်သည် အစေးထုတ်လျှပ်စစ် ct လက်ရှိထရန်စဖော်မာအတွက် သင့်လျော်သည်-

1. Indoor switchgear သည် နေရာအကန့်အသတ်ရှိပြီး insulation သည် အရေးကြီးပါသည်။

2. ကြမ်းတမ်းသော သို့မဟုတ် ညစ်ညမ်းသောပတ်ဝန်းကျင်တွင် (ဖုန်မှုန့်၊ အစိုဓာတ်၊ ဓာတုပစ္စည်းများ) သည် ပွင့်နေသောအစိတ်အပိုင်းများ သို့မဟုတ် ဆီများ ပျက်စီးသွားနိုင်သည်။

3. ကြာရှည်စွာတည်ငြိမ်ပြီး တိကျသောတိုင်းတာမှုလိုအပ်သော မီတာတိုင်းတာခြင်းနှင့် အကာအကွယ်ပတ်လမ်းများတွင်။

4. ပြုပြင်ထိန်းသိမ်းမှု နည်းပါးပြီး ယုံကြည်စိတ်ချရမှု မြင့်မားသော အရေးကြီးသည့် အက်ပ်လီကေးရှင်းများ။

Hot Tags: Resin Cast လက်ရှိ Transformer တင်သွင်းသူ၊ လျှပ်စစ် CT Transformer ထုတ်လုပ်သူ၊ စိတ်ကြိုက် CT Transformer လက်ကား၊
စုံစမ်းမေးမြန်းရန်ပေးပို့ပါ။
ဆက်သွယ်ရန်အချက်အလက်
  • လိပ်စာ

    အမှတ် ၃၉၁၊ Jingqi လမ်း၊ Yanpan စက်မှုဇုန်၊ Yueqing မြို့၊ Zhejiang ပြည်နယ်၊ တရုတ်

  • အီးမေး

    info@xifaele.com

သင်၏ quotation ကိုအမြန်ဆုံးရရှိရန်

XiFa- သင်၏ယုံကြည်စိတ်ချရသောလျှပ်စစ်ပစ္စည်းပေးသွင်းသူ
သတင်းအကြံပြုချက်များ
X
သင့်အား ပိုမိုကောင်းမွန်သောကြည့်ရှုမှုအတွေ့အကြုံကို ပေးဆောင်ရန်၊ ဆိုက်အသွားအလာကို ပိုင်းခြားစိတ်ဖြာပြီး အကြောင်းအရာကို ပုဂ္ဂိုလ်ရေးသီးသန့်ပြုလုပ်ရန် ကျွန်ုပ်တို့သည် ကွတ်ကီးများကို အသုံးပြုပါသည်။ ဤဆိုက်ကိုအသုံးပြုခြင်းဖြင့် ကျွန်ုပ်တို့၏ cookies အသုံးပြုမှုကို သင်သဘောတူပါသည်။ ကိုယ်ရေးအချက်အလက်မူဝါဒ
ငြင်းပယ်ပါ။ လက်ခံပါတယ်။